Copyright
Copyright© 2026
EMC Water LLC
All Rights Reserved
| ADA |
Yes |
|---|---|
| Installation Location |
Outdoor |
| Power |
No Electrical Required |
| Finish |
Blue |
| Features |
300 Series Stainless Heavy Duty Vandal Resistant Laminar Flow Pet Fountain |
| Filtered |
No |
| Mounting Type |
Floor Mount/Freestanding |
| Country Of Origin |
USA |
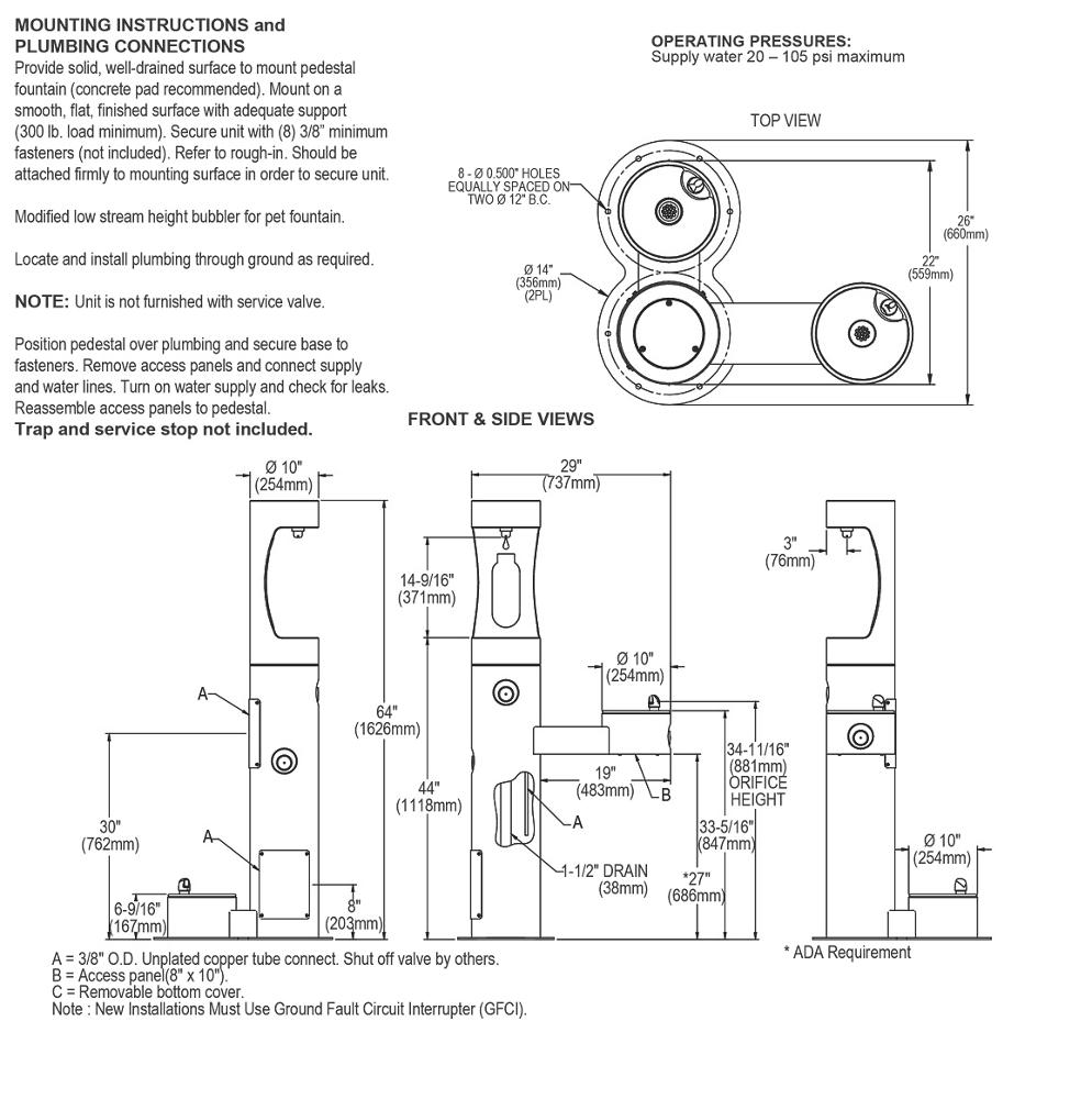
| Dimensions |
L: 26" W: 31" H: 64" |
| Shipping Dimensions |
L: 46-1/2" W: 28-1/2" H: 32-3/4" |
| Shipping Weight |
184 LBS |
Outdoor Bottle Filling Stations ideal for educational campuses and recreational areas. Powder-coated exterior over a corrosion-resistant, 300 Series stainless steel base material to provide protection from the elements.