LZS8WSS2K

ezH2O® Bottle Filling Station with Single ADA Cooler Filtered Refrigerated Stainless 220V

ADA Yes
Installation Location Indoor
Power 220V/50Hz
Material Stainless Steel
Finish Stainless Steel
Features Antimicrobial
Filtered
Green Ticker™
Hands Free
Laminar Flow
Real Drain
Visual Filter Monitor
Number of Stations 1
Bubbler Style Flexi-Guard ® Safety Bubbler
Filtered Yes
Chilling Capacity 8.0 GPH
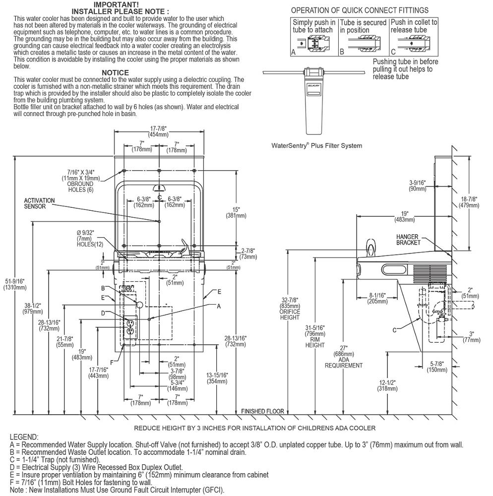
Mounting Type Wall Mount (On Wall)
Included with Product Water Cooler (LZS8WSS2JO)
Bottle Filler (LZWSRJO)
Filter
Ships In Multiple Boxes Yes
Country Of Origin USA
Dimensions L: 18-3/8"
W: 19"
H: 39-1/16"
Shipping Dimensions L: 24"
W: 28-1/8"
H: 24-5/8"
Shipping Weight 71 LBS
Code Compliance NSF 401
NSF REG4

The Elkay EZH2O® Bottle Filling Station delivers a clean quick water bottle fill and enhances sustainability by minimizing our dependency on disposable plastic bottles. Complete cooler and bottle filling station in a consolidated space saving ADA compliant design. Bottle Filler features sanitary no-touch sensor activation with automatic 20-second shut-off timer.

  • Touchless, sensor activation (bottle filler) designed for easy use; easy-to-operate push-bar activation (bubbler)
  • Hermetically sealed refrigeration system provides chilled water to satisfy thirst
  • Fill rate is 1.1 GPM. Laminar flow provides clean fill with minimal splash
  • Visual filter monitor with LED filter status indicator for when filter change is necessary
  • The 3,000-gallon filter is certified to NSF 42 and 53 for lead, Class 1 particulate, chlorine, taste and odor reduction
  • Key plastic components are manufactured with silver ion antimicrobial agent helping to provide clean, stain- and odor-free surfaces
  • Silver ion antimicrobial protection on key plastic components to inhibit the growth of mold and mildew
  • Real drain system eliminates standing water
  • Flexi-Guard bubbler provides a flexible antimicrobial mouth guard to protect against injury and microorganisms
  • Rated for indoor use